PRODUCTS SEARCH
HogarProductosSistema de bombas contra incendios

PDJ

Sistema de bomba contra incendios con rociadores accionado por motor diésel

El sistema de bomba contra incendios diésel Purity PDJ ofrece un potente suministro de agua, alta seguridad y control flexible. Es una excelente opción para el suministro de agua de emergencia en entornos con escasez de energía.
3D PRODUCT CHAT NOW

Introducción del producto
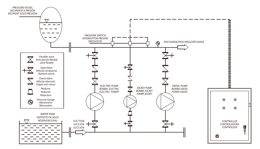
El sistema de bombas diésel contra incendios Purity PDJ consta de una bomba centrífuga accionada por un motor diésel, una bomba jockey de alta presión, un controlador de bomba y un sistema completo de tuberías. Cada controlador está equipado con una línea de detección de presión independiente, lo que garantiza el funcionamiento estable de la bomba contra incendios y una gestión precisa de la presión durante emergencias de extinción de incendios.

Las bombas diésel contra incendios Purity PDJ permiten configurar diversos parámetros de control del motor, como el tiempo de retardo, el tiempo de precalentamiento, el tiempo de corte de arranque, el tiempo de funcionamiento rápido y el tiempo de enfriamiento. Esta configuración flexible garantiza un rendimiento óptimo del motor, un arranque suave y un funcionamiento eficiente en diferentes condiciones de trabajo, cumpliendo con los rigurosos requisitos de los sistemas de protección contra incendios.

Para mejorar la seguridad operativa, las bombas diésel contra incendios PDJ están equipadas con múltiples funciones de alarma y apagado automático. Pueden detectar y responder a diversas condiciones de fallo, como la falta de señal de velocidad, el exceso o defecto de velocidad, la presión de aceite baja o alta, la temperatura del aceite alta, el fallo de arranque y los problemas en el circuito de los sensores (circuito abierto o cortocircuito en los sensores de presión de aceite o temperatura del agua). Estas completas funciones de protección mejoran significativamente la fiabilidad y la seguridad del sistema de bombas contra incendios durante operaciones críticas de extinción de incendios.

Gracias a su diseño robusto y su sistema de protección contra fallas, el sistema de bomba contra incendios diésel Purity PDJ ofrece un rendimiento de protección contra incendios potente y confiable, lo que lo hace ideal para edificios de gran altura, complejos industriales e instalaciones remotas que requieren un suministro autónomo de agua de emergencia.

Purity ha establecido relaciones de representación de marca a largo plazo con distribuidores en muchos países para su autobomba contra incendios. ¡Contáctenos!

Descripción del modelo

Instrucciones de instalación

Parámetros del producto

Introducción del producto
El sistema de bombas diésel contra incendios Purity PDJ consta de una bomba centrífuga accionada por un motor diésel, una bomba jockey de alta presión, un controlador de bomba y un sistema completo de tuberías. Cada controlador está equipado con una línea de detección de presión independiente, lo que garantiza el funcionamiento estable de la bomba contra incendios y una gestión precisa de la presión durante emergencias de extinción de incendios.

Las bombas diésel contra incendios Purity PDJ permiten configurar diversos parámetros de control del motor, como el tiempo de retardo, el tiempo de precalentamiento, el tiempo de corte de arranque, el tiempo de funcionamiento rápido y el tiempo de enfriamiento. Esta configuración flexible garantiza un rendimiento óptimo del motor, un arranque suave y un funcionamiento eficiente en diferentes condiciones de trabajo, cumpliendo con los rigurosos requisitos de los sistemas de protección contra incendios.

Para mejorar la seguridad operativa, las bombas diésel contra incendios PDJ están equipadas con múltiples funciones de alarma y apagado automático. Pueden detectar y responder a diversas condiciones de fallo, como la falta de señal de velocidad, el exceso o defecto de velocidad, la presión de aceite baja o alta, la temperatura del aceite alta, el fallo de arranque y los problemas en el circuito de los sensores (circuito abierto o cortocircuito en los sensores de presión de aceite o temperatura del agua). Estas completas funciones de protección mejoran significativamente la fiabilidad y la seguridad del sistema de bombas contra incendios durante operaciones críticas de extinción de incendios.

Gracias a su diseño robusto y su sistema de protección contra fallas, el sistema de bomba contra incendios diésel Purity PDJ ofrece un rendimiento de protección contra incendios potente y confiable, lo que lo hace ideal para edificios de gran altura, complejos industriales e instalaciones remotas que requieren un suministro autónomo de agua de emergencia.

Purity ha establecido relaciones de representación de marca a largo plazo con distribuidores en muchos países para su autobomba contra incendios. ¡Contáctenos!

Descripción del modelo

Instrucciones de instalación

Parámetros del producto


Mensaje
Política de privacidad